Даёшь флууууд.
Модераторы: Реалист, Pooh Lee, Снегирь, Алька
Правила форума
Провокация конфликта - предупреждение.
Ответ на провокацию - предупреждение.
Не одумались - обоим БАН на месяц.
Новая провокация - прощаемся. Невзирая.
Провокация конфликта - предупреждение.
Ответ на провокацию - предупреждение.
Не одумались - обоим БАН на месяц.
Новая провокация - прощаемся. Невзирая.
- Снегирь
- Хранитель музея СиБири
- Сообщения: 14352
- Зарегистрирован: 29 дек 2012, 09:30
- Награды: 2
- Имя: Вячеслав
- CB: MJ-600
- Ант. CB: Sirio-5000
- Позывной: Снегирь
- Авто: Toyota Ipsum
- Откуда: Новосибирск.октябрьский....
- :
- Благодарил (а): 480 раз
- Поблагодарили: 277 раз
- Контактная информация:
Re: Даёшь флууууд.
Критик:за то ремонту ууууу...до 12 ночи фигачим...сейчас ищим колёса для слива...буду сам яму рыть,а то за работу просят цену от 38тыр...
+79137178635 - он же и ваццап.!!!
- Зануда
- 5 кВт
- Сообщения: 5116
- Зарегистрирован: 23 янв 2012, 09:34
- Имя: Андрей
- CB: Yosan Excalibur
- Ант. CB: LEMM Turbo 2001
- Позывной: Зануда
- р/л позывной: UB9OBQ
- Откуда: Новосибирск
- Благодарил (а): 1 раз
- Поблагодарили: 1 раз
- Контактная информация:
Re: Даёшь флууууд.
Cotophey, так-так-так-так... Еще раз. Нескореллировалось просто картинка с тремя проводками трех дверей и про отсутствие задержки...
Так-то, при наличии таких данных, работы- на 30-40 минут с учетом "разобрать" и "собрать"!
Так-то, при наличии таких данных, работы- на 30-40 минут с учетом "разобрать" и "собрать"!
Обожаю слушать ложь, когда знаю правду.
Занудой можешь ты не быть, но скрупулезным быть обязан! ©
Занудой можешь ты не быть, но скрупулезным быть обязан! ©
- Снегирь
- Хранитель музея СиБири
- Сообщения: 14352
- Зарегистрирован: 29 дек 2012, 09:30
- Награды: 2
- Имя: Вячеслав
- CB: MJ-600
- Ант. CB: Sirio-5000
- Позывной: Снегирь
- Авто: Toyota Ipsum
- Откуда: Новосибирск.октябрьский....
- :
- Благодарил (а): 480 раз
- Поблагодарили: 277 раз
- Контактная информация:
Re: Даёшь флууууд.
Критик:нее.спасибо.просто боюсь,что добавим про запас+на всякий случай и ещё маленько...будет такой БАБАБАХ,что вместо дома будет сливная ямка метров 15на15...
я лучше по старинке

+79137178635 - он же и ваццап.!!!
- Котофей
- 1 кВт
- Сообщения: 4400
- Зарегистрирован: 14 мар 2014, 23:51
- Имя: Котофей
- CB: Алинка
- Ант. CB: 5/8
- р/л позывной: UB9OCJ
- Авто: chevy
- Благодарил (а): 1 раз
- Поблагодарили: 2 раза
Re: Даёшь флууууд.
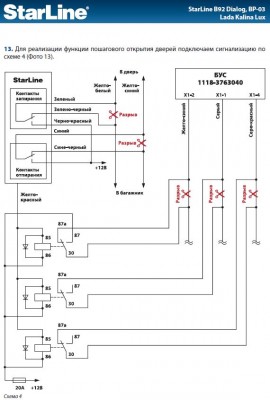
Делай по схеме, и будет тебе счастье.Зануда писал(а):эти умники из автосралона поставили сигналку на провод......... ПЛАФОНА ОСВЕЩЕНИЯ САЛОНА. Занавес.![]()
![]()
Подсветка в салоне "вежливая", и пока она горит, датчики дверей - не работают. Как свет погаснет - так работает
Добавлено спустя 34 секунды:
И не выражайся так!Зануда писал(а):Нескореллировалось
Alles wird gut. т.287-5З-О7
- Снегирь
- Хранитель музея СиБири
- Сообщения: 14352
- Зарегистрирован: 29 дек 2012, 09:30
- Награды: 2
- Имя: Вячеслав
- CB: MJ-600
- Ант. CB: Sirio-5000
- Позывной: Снегирь
- Авто: Toyota Ipsum
- Откуда: Новосибирск.октябрьский....
- :
- Благодарил (а): 480 раз
- Поблагодарили: 277 раз
- Контактная информация:
Re: Даёшь флууууд.
Зануда:у меня папа,купил в салоне л.приору...через некоторое время загорелась и не тухла лампочка аирбак водителя.он объехал кучу сто,денег поотдавал.приехал потом в сервис центр лада.ему там,мастер не долго думая перекусил проводок...все в шоке,а мастер говорит -:ну теперь то не горит и не мешает...съезди в лада центр.
+79137178635 - он же и ваццап.!!!
- Снегирь
- Хранитель музея СиБири
- Сообщения: 14352
- Зарегистрирован: 29 дек 2012, 09:30
- Награды: 2
- Имя: Вячеслав
- CB: MJ-600
- Ант. CB: Sirio-5000
- Позывной: Снегирь
- Авто: Toyota Ipsum
- Откуда: Новосибирск.октябрьский....
- :
- Благодарил (а): 480 раз
- Поблагодарили: 277 раз
- Контактная информация:
Re: Даёшь флууууд.
Разбегайся народ,Снегирь на базу быстро прёт...полетел с мяски на воинскую.убирайте пробки.рации нет...
+79137178635 - он же и ваццап.!!!
- Зануда
- 5 кВт
- Сообщения: 5116
- Зарегистрирован: 23 янв 2012, 09:34
- Имя: Андрей
- CB: Yosan Excalibur
- Ант. CB: LEMM Turbo 2001
- Позывной: Зануда
- р/л позывной: UB9OBQ
- Откуда: Новосибирск
- Благодарил (а): 1 раз
- Поблагодарили: 1 раз
- Контактная информация:
Re: Даёшь флууууд.
Дык это три двери на двуступенчатое, я так понял. А одна-то как сейчас есть, так и будет же?Cotophey писал(а):Делай по схеме, и будет тебе счастье.
Посмотрел, нашел, откуда ты эту картинку взял... Ты лишил меня надежды :( я думал, что это - двуступенчатое открывание дверей, а это - концевики...
Добавлено спустя 7 минут 39 секунд:
Нашёль
Cotophey, а у тебя релюх и разъечиков под них не завалялось лишних?
Обожаю слушать ложь, когда знаю правду.
Занудой можешь ты не быть, но скрупулезным быть обязан! ©
Занудой можешь ты не быть, но скрупулезным быть обязан! ©
- Александр 25
- 500 Вт
- Сообщения: 1656
- Зарегистрирован: 14 окт 2011, 19:37
- Награды: 1
- Имя: Александр
- CB: Yosan Stells 5
- Ант. CB: Turbo-2001
- Позывной: Двадцать пятый
- Авто: LR Defender
- Откуда: Ленинский
- :
- Благодарил (а): 13 раз
- Поблагодарили: 53 раза
- Контактная информация:
- Зануда
- 5 кВт
- Сообщения: 5116
- Зарегистрирован: 23 янв 2012, 09:34
- Имя: Андрей
- CB: Yosan Excalibur
- Ант. CB: LEMM Turbo 2001
- Позывной: Зануда
- р/л позывной: UB9OBQ
- Откуда: Новосибирск
- Благодарил (а): 1 раз
- Поблагодарили: 1 раз
- Контактная информация:
Re: Даёшь флууууд.
Да... сам написал, сам теперь валяюсь
Бодрое утря.
Cotophey, таки к тебе можно приехать, скажем, в воскресенье к обеду?
Т.е. получается, годы теперь будут доооооооолгими казатьсяЗануда писал(а):теперь терпения и любви на долгие годы!
Бодрое утря.
Cotophey, таки к тебе можно приехать, скажем, в воскресенье к обеду?
Обожаю слушать ложь, когда знаю правду.
Занудой можешь ты не быть, но скрупулезным быть обязан! ©
Занудой можешь ты не быть, но скрупулезным быть обязан! ©
-
Ганс
Re: Даёшь флууууд.
Cotophey, Бывает еще красивей. Это когда полицейские загонят хулигана в тупик забудут выключить люстру на машине и с криками хулиганов гоняют по крышам железных горажей, и в это время проезжает сразу два поезда и в добавок с верху блин летит самолёт. И всё это дело происходит у меня под окнами.
- Зануда
- 5 кВт
- Сообщения: 5116
- Зарегистрирован: 23 янв 2012, 09:34
- Имя: Андрей
- CB: Yosan Excalibur
- Ант. CB: LEMM Turbo 2001
- Позывной: Зануда
- р/л позывной: UB9OBQ
- Откуда: Новосибирск
- Благодарил (а): 1 раз
- Поблагодарили: 1 раз
- Контактная информация:
Re: Даёшь флууууд.
Ганс, ты и тут глаза не помыл? )))
Обожаю слушать ложь, когда знаю правду.
Занудой можешь ты не быть, но скрупулезным быть обязан! ©
Занудой можешь ты не быть, но скрупулезным быть обязан! ©
Кто сейчас на конференции
Сейчас этот форум просматривают: нет зарегистрированных пользователей и 9 гостей

.jpg)
.jpg)
