программирование микроконтроллеров
Правила форума
Провокация конфликта - предупреждение.
Ответ на провокацию - предупреждение.
Не одумались - обоим БАН на месяц.
Новая провокация - прощаемся. Невзирая.
Провокация конфликта - предупреждение.
Ответ на провокацию - предупреждение.
Не одумались - обоим БАН на месяц.
Новая провокация - прощаемся. Невзирая.
- Моряк
- Оргкомитет
- Сообщения: 1653
- Зарегистрирован: 19 ноя 2010, 14:37
- Имя: Сергей
- CB: MJ 550
- Ант. CB: Lemm AT-2001 Turbo
- Позывной: Моряк
- р/л позывной: R8OAS
- Контактная информация:
программирование микроконтроллеров
собственно вопрос в названии темы, кто сталкивался с этим, и кто умеет писать программы ))) есть мысли по "прикручиванию" их к разным ништякам. ATTiny
- Зануда
- 5 кВт
- Сообщения: 5116
- Зарегистрирован: 23 янв 2012, 09:34
- Имя: Андрей
- CB: Yosan Excalibur
- Ант. CB: LEMM Turbo 2001
- Позывной: Зануда
- р/л позывной: UB9OBQ
- Откуда: Новосибирск
- Благодарил (а): 1 раз
- Поблагодарили: 1 раз
- Контактная информация:
Re: программирование микроконтроллеров
Если не срочно, то после возвращения моего можем состыковаться.
Добавлено спустя 42 секунды:
Средства, опыт программирования и автоматизации, а также отладки - какие-никакие, имеются
Добавлено спустя 42 секунды:
Средства, опыт программирования и автоматизации, а также отладки - какие-никакие, имеются
Обожаю слушать ложь, когда знаю правду.
Занудой можешь ты не быть, но скрупулезным быть обязан! ©
Занудой можешь ты не быть, но скрупулезным быть обязан! ©
- Моряк
- Оргкомитет
- Сообщения: 1653
- Зарегистрирован: 19 ноя 2010, 14:37
- Имя: Сергей
- CB: MJ 550
- Ант. CB: Lemm AT-2001 Turbo
- Позывной: Моряк
- р/л позывной: R8OAS
- Контактная информация:
Re: программирование микроконтроллеров
когда вернешься ?Зануда писал(а):то после возвращения моего можем состыковаться.
- Зануда
- 5 кВт
- Сообщения: 5116
- Зарегистрирован: 23 янв 2012, 09:34
- Имя: Андрей
- CB: Yosan Excalibur
- Ант. CB: LEMM Turbo 2001
- Позывной: Зануда
- р/л позывной: UB9OBQ
- Откуда: Новосибирск
- Благодарил (а): 1 раз
- Поблагодарили: 1 раз
- Контактная информация:
Re: программирование микроконтроллеров
сначала 6.05 на три дня, потом - "окончательно" - с 14 мая на работу выхожу.
Обожаю слушать ложь, когда знаю правду.
Занудой можешь ты не быть, но скрупулезным быть обязан! ©
Занудой можешь ты не быть, но скрупулезным быть обязан! ©
-
Муравей
Re: программирование микроконтроллеров
Мне приходилось разок... Справился. Правда ни програматора, ни отладочной платы нет
Проект бы увидеть, было бы понятнее потяну или нет 
-
Рыжий
Re: программирование микроконтроллеров
ну было лет так надцать назад. Смотреть\говорить надо. Документацию на чип тож нада.Моряк писал(а):ну может среди нас еще есть программеры контроллеров ?
аналогичноМуравей писал(а):ни програматора, ни отладочной платы нет
- Зануда
- 5 кВт
- Сообщения: 5116
- Зарегистрирован: 23 янв 2012, 09:34
- Имя: Андрей
- CB: Yosan Excalibur
- Ант. CB: LEMM Turbo 2001
- Позывной: Зануда
- р/л позывной: UB9OBQ
- Откуда: Новосибирск
- Благодарил (а): 1 раз
- Поблагодарили: 1 раз
- Контактная информация:
Re: программирование микроконтроллеров
доку можно найти на атмеле. Без проблем. Но в данном случае скорее смотреть сводную таблицу и по ней выбирать кристалл. Но еще неплохо оглянуться на то, что есть в Нских гамазинах, потому как тини у нас почему-то некоторые дороже, чем меги.
Обожаю слушать ложь, когда знаю правду.
Занудой можешь ты не быть, но скрупулезным быть обязан! ©
Занудой можешь ты не быть, но скрупулезным быть обязан! ©
- Моряк
- Оргкомитет
- Сообщения: 1653
- Зарегистрирован: 19 ноя 2010, 14:37
- Имя: Сергей
- CB: MJ 550
- Ант. CB: Lemm AT-2001 Turbo
- Позывной: Моряк
- р/л позывной: R8OAS
- Контактная информация:
Re: программирование микроконтроллеров
ну проект разминочный есть, сразу скажу, надо на ATTiny 13 делать, т.к есть еще и не очень разминочный ( она туда вроде как подходит ), разминочный думаю , что для сибири пригодится. ну или радивалюбителям каким ))) не очень разминочный больше нужен мне , хотя область применения его это авто, а они у нас вроде как есть
а то вот уже несколько раз читал на форуме, не едит субару и все тут 
- Моряк
- Оргкомитет
- Сообщения: 1653
- Зарегистрирован: 19 ноя 2010, 14:37
- Имя: Сергей
- CB: MJ 550
- Ант. CB: Lemm AT-2001 Turbo
- Позывной: Моряк
- р/л позывной: R8OAS
- Контактная информация:
Re: программирование микроконтроллеров
ну зачем в ЛС то ? тему тогда зачем заводили ? сейчас подкорректирую маленько схему и выложуМуравей писал(а):А можно хотя бы в лс подробности?
Добавлено спустя 12 минут 15 секунд:
проект разминочный.
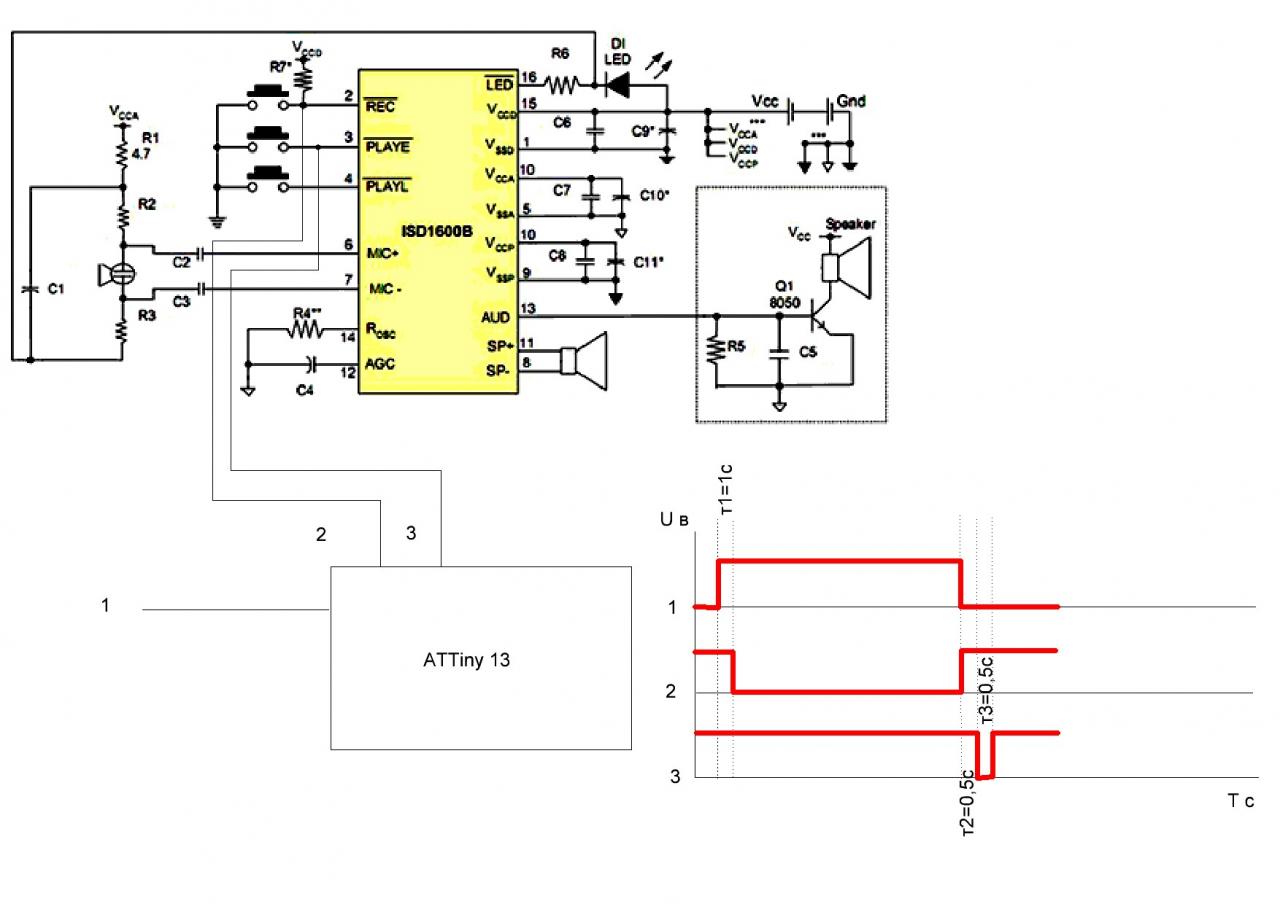
схема управления цифрового диктофона, для реализации на безе его функции эхорепитера
Добавлено спустя 4 минуты 44 секунды:
пояснения,
2 проиходит если есть 1 с задержкой 1 с, чтобы исключить ложные срабатывания
3 происходит если было 2
из схемывидно , порты МК 2,3 подтянуты к +, следовательно, чтобы все работало, они должны "уметь" падать на землю.
ну вот, собственно в этом и есть разминка, а то 533 будет нормальный эхо репитер к змею цеплять , а вдруг погода не летная
-
Муравей
Re: программирование микроконтроллеров
Хм... А может немножечко не так? Давай сделаем регулировку длительности Т1 при помощи переменного резистора и конденсатора? Аналоговый компаратор в микрухе есть...
- Моряк
- Оргкомитет
- Сообщения: 1653
- Зарегистрирован: 19 ноя 2010, 14:37
- Имя: Сергей
- CB: MJ 550
- Ант. CB: Lemm AT-2001 Turbo
- Позывной: Моряк
- р/л позывной: R8OAS
- Контактная информация:
Re: программирование микроконтроллеров
а смысл в дополнительных элементах ? если " мозг " мк запрограммированный мозгом программиста это способен сделать ? )) на порту 1 и так будет RC цепочка для устранения эффекта феддингаМуравей писал(а):Давай сделаем регулировку длительности Т1 при помощи переменного резистора и конденсатора
-
Муравей
Re: программирование микроконтроллеров
Моряк, ну это только предложение. Можно и так. Только возможности "подкрутить" не будет. А так и возможность есть и куска кода нет
Хотя ты прав, тогда совсем скучно можно и без МК. Вобщем такую штуку можно запрограммить... Только программатора нету )))
- Моряк
- Оргкомитет
- Сообщения: 1653
- Зарегистрирован: 19 ноя 2010, 14:37
- Имя: Сергей
- CB: MJ 550
- Ант. CB: Lemm AT-2001 Turbo
- Позывной: Моряк
- р/л позывной: R8OAS
- Контактная информация:
Re: программирование микроконтроллеров
ну это тоже надо решить общими усилиями, соберем поди ))Муравей писал(а): Только программатора нету )))
а это уже и не надо подкручивать, опытным путем давно проверенно ))Муравей писал(а):Только возможности "подкрутить" не будет
-
БРУСОК
Re: программирование микроконтроллеров
Есть программатор sterh st-010 пойдёт или нет? Мог-бы дать по пользоваться сам не пробовал программировать уже 2 года висит у меня на балансе и списать не могу!
- Моряк
- Оргкомитет
- Сообщения: 1653
- Зарегистрирован: 19 ноя 2010, 14:37
- Имя: Сергей
- CB: MJ 550
- Ант. CB: Lemm AT-2001 Turbo
- Позывной: Моряк
- р/л позывной: R8OAS
- Контактная информация:
Re: программирование микроконтроллеров
конечно актуально !!!, так глядишь и успеем уже готовую штуковину на змее запустить в сибирский полевой день )))oka275 писал(а):Еще актуально? Вечером мог бы готовый чип отдать.
Добавлено спустя 4 минуты 55 секунд:
похоже это то , что нужно !!!БРУСОК писал(а):Есть программатор sterh st-010 пойдёт или нет?
- oka275
- 100 мВт
- Сообщения: 50
- Зарегистрирован: 18 июл 2012, 22:47
- Имя: Алексей
- CB: MAYCOM EM-27
- Ант. CB: ML-145
- Авто: OKA
- Откуда: Новосибирск
- Контактная информация:
Re: программирование микроконтроллеров
Ребята, да какой там программатор - достаточно 5 проводков в минимальной конфигурации. Перцы покруче собирают уже на преобразователе USB>COM, но принцип тот же.
Моряк, как я понял микросхема ISD16ХХB умеет писать до 40 секунд при самом экономном потоке. Значит ли это, что время записи необходимо будет ограничить данным временем, а PLAY включать после того, как на 1 упадет в "лог 0" (отпустили передачу) ?
И еще момент - МК, на выводе №3, логическим нулем в течение 500мс активирует PLAY. А кто будет управлять передачей??? Или все продумано и мне не стоит плодить сущностей?
Моряк, как я понял микросхема ISD16ХХB умеет писать до 40 секунд при самом экономном потоке. Значит ли это, что время записи необходимо будет ограничить данным временем, а PLAY включать после того, как на 1 упадет в "лог 0" (отпустили передачу) ?
И еще момент - МК, на выводе №3, логическим нулем в течение 500мс активирует PLAY. А кто будет управлять передачей??? Или все продумано и мне не стоит плодить сущностей?
- Моряк
- Оргкомитет
- Сообщения: 1653
- Зарегистрирован: 19 ноя 2010, 14:37
- Имя: Сергей
- CB: MJ 550
- Ант. CB: Lemm AT-2001 Turbo
- Позывной: Моряк
- р/л позывной: R8OAS
- Контактная информация:
Re: программирование микроконтроллеров
для этого надо иметь настоящий LPT порт, на современных компах его не найтиoka275 писал(а):Ребята, да какой там программатор - достаточно 5 проводков в минимальной конфигурации
при данном потоке человеческую речь почти не разобрать, поэтому время записи 20 сек, по факту сообщения могут быть и короче, следовательно включение PLAY тоже необходимо организовать по факту окончания записи, 2 в положение "1" 0,5 сек паузы и 3 падает на "0" на 0,5 секoka275 писал(а):Моряк, как я понял микросхема ISD16ХХB умеет писать до 40 секунд при самом экономном потоке. Значит ли это, что время записи необходимо будет ограничить данным временем, а PLAY включать после того, как на 1 упадет в "лог 0" (отпустили передачу) ?
это в зависимости от рации, в нашем случает будет транзисторный ключь , который будет садить на на землю через сопротивление 1 к цепь PTT, т.е еще будет для этого взят сигнал с ноги ISD16ХХB, ну как-то так ))oka275 писал(а):И еще момент - МК, на выводе №3, логическим нулем в течение 500мс активирует PLAY. А кто будет управлять передачей??? Или все продумано и мне не стоит плодить сущностей?
Добавлено спустя 4 минуты 28 секунд:
да, думаю органичить время записи надо , вроде так логичней получается
Кто сейчас на конференции
Сейчас этот форум просматривают: нет зарегистрированных пользователей и 5 гостей
.jpg)
.jpg)
