нужна схемка подключения
Правила форума
Провокация конфликта - предупреждение.
Ответ на провокацию - предупреждение.
Не одумались - обоим БАН на месяц.
Новая провокация - прощаемся. Невзирая.
Провокация конфликта - предупреждение.
Ответ на провокацию - предупреждение.
Не одумались - обоим БАН на месяц.
Новая провокация - прощаемся. Невзирая.
-
Скорпион
- Связист
- 10 Вт
- Сообщения: 361
- Зарегистрирован: 23 сен 2011, 07:35
- Награды: 1
- Имя: Андрей
- CB: Apollo
- Ант. CB: Performer5000
- Позывной: Связист
- р/л позывной: UB90B0
- Авто: Swift
- Откуда: Новосибирск
- :
- Контактная информация:
Re: нужна схемка подключения
Можно и встретить. Не вопрос. А у релюшки все же 5 контактов... 
Yaesu FT8900
MegaJet 600+Performer 5000
Первый закон связи: Громче крикнешь-дальше слышно.
MegaJet 600+Performer 5000
Первый закон связи: Громче крикнешь-дальше слышно.
-
Аким
Re: нужна схемка подключения
Андрей, есть и 4 контакта
я когда туманки подключал, то такие использовал.
я когда туманки подключал, то такие использовал.
-
Икар
- 5 Вт
- Сообщения: 355
- Зарегистрирован: 12 авг 2012, 18:01
- Имя: Сергей
- Позывной: Икар
- Авто: Tianma Century
- Поблагодарили: 2 раза
- Контактная информация:
Re: нужна схемка подключения
А я без всяких схем и релюх обошелся. Минусовой вывод светодиодов цепляем к плюсу питания габаритов, а плюсовой к любой точке, где появляется напряжение при включении зажигания. Я подключился к предохранителю питания генератора. При включениии зажигания огни загораются, а при включении габаритов - гаснут.
Все по фэншую!
Все по фэншую!
- skipper
- 500 Вт
- Сообщения: 1923
- Зарегистрирован: 25 янв 2012, 09:11
- Награды: 2
- Имя: Максим
- CB: MJ 600
- Ант. CB: magnitko
- Позывной: Шкипер
- Авто: Hover 3
- Откуда: НовосиBEERск
- :
- Благодарил (а): 9 раз
- Поблагодарили: 46 раз
- Контактная информация:
Re: нужна схемка подключения
тогда что может быть проще ... провод от аккума прокладываем к ДХО (если лампочки) если диоды, то через блок (непомню как называется).Аким писал(а):skipper, мне нужна схемка для тупых!!!! куда подключить я найду. и загораться ДХО будут при включении зажигания (мне так захотелось)
В разрыв цени ставим реле (в автограде 100р с колодкой) - 2 выхода, еще 2 выхода на минус и на плюсовой провод от магнитолы, габаритов или еще чеонить, где появляется питание при включенном зажигание.
как то так если очень просто
"это не страна, это Россия.." © Салтыков-Щедрин
8-913-95-95-раздватри
Консультации по СВН, СКУД. Монтаж, шеф-монтаж, пусконаладка.
Оборудование Novicam, RVi со скидкой
Ищу крупные объекты по СВН, СКУД, СОС. За объект - бонусы
8-913-95-95-раздватри
Консультации по СВН, СКУД. Монтаж, шеф-монтаж, пусконаладка.
Оборудование Novicam, RVi со скидкой
Ищу крупные объекты по СВН, СКУД, СОС. За объект - бонусы
-
Скорпион
Re: нужна схемка подключения
skipper, они не отключатся при включении габаритов. И будут постоянно светить. Это судя по схеме.
-
533-гранит
- 5 кВт
- Сообщения: 9812
- Зарегистрирован: 11 мар 2011, 23:56
- Имя: Огого
- Позывной: Гранит
- Поблагодарили: 6 раз
Re: нужна схемка подключения
Икар, странная у тебю машина
Что бы так работало, как ты описываешь, нужно провод от габаритов "садить" на массу - при отключении габарита. Иначе 2 варианта - светятся габариты и твои огни либо они вообще не светят.
- skipper
- 500 Вт
- Сообщения: 1923
- Зарегистрирован: 25 янв 2012, 09:11
- Награды: 2
- Имя: Максим
- CB: MJ 600
- Ант. CB: magnitko
- Позывной: Шкипер
- Авто: Hover 3
- Откуда: НовосиBEERск
- :
- Благодарил (а): 9 раз
- Поблагодарили: 46 раз
- Контактная информация:
Re: нужна схемка подключения
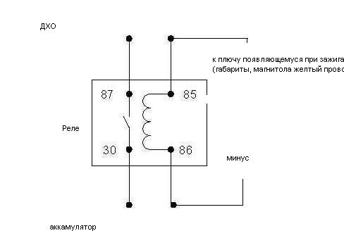
с отключением ДХО при включение габаритов это другая схема.Скорпион писал(а):skipper, они не отключатся при включении габаритов. И будут постоянно светить. Это судя по схеме.
Эта картинка - самый простой вариант, как просил Денис
"это не страна, это Россия.." © Салтыков-Щедрин
8-913-95-95-раздватри
Консультации по СВН, СКУД. Монтаж, шеф-монтаж, пусконаладка.
Оборудование Novicam, RVi со скидкой
Ищу крупные объекты по СВН, СКУД, СОС. За объект - бонусы
8-913-95-95-раздватри
Консультации по СВН, СКУД. Монтаж, шеф-монтаж, пусконаладка.
Оборудование Novicam, RVi со скидкой
Ищу крупные объекты по СВН, СКУД, СОС. За объект - бонусы
-
Скорпион
Re: нужна схемка подключения
533-гранит, габариты на лампах и светиться не будут. Ток через лампочки маленький бежит.
Добавлено спустя 48 секунд:
533-гранит, тут ключевое слово-светодиоды.
Добавлено спустя 3 минуты 37 секунд:
Это как в выключателе бытовом.
Добавлено спустя 48 секунд:
533-гранит, тут ключевое слово-светодиоды.
Добавлено спустя 3 минуты 37 секунд:
Это как в выключателе бытовом.
-
533-гранит
- 5 кВт
- Сообщения: 9812
- Зарегистрирован: 11 мар 2011, 23:56
- Имя: Огого
- Позывной: Гранит
- Поблагодарили: 6 раз
Re: нужна схемка подключения
Конечно если это не ДХО а хренька китайская из ленточек. На стоянке огням не место. Зимой так вообще это задолбает на прогревах и ожиданиях пассажиров. Надо что бы они включались при движении, например от ручника. Нужно тогда как минимум 2 реле
А может и 3, что бы обойтись без диодов.
-
Икар
- 5 Вт
- Сообщения: 355
- Зарегистрирован: 12 авг 2012, 18:01
- Имя: Сергей
- Позывной: Икар
- Авто: Tianma Century
- Поблагодарили: 2 раза
- Контактная информация:
Re: нужна схемка подключения
533-гранит, да ни чего странного! Сопротивление лампочек габаритов малое, по сравнению с сопротивлением светодиодной ленты, и все напряжение при включении зажигания падает на ДХО. При включении габаритов напряжение на обоих выводах ДХО уравнивается и они гаснут.
- Меченый
- 5 Вт
- Сообщения: 296
- Зарегистрирован: 26 фев 2013, 05:19
- Имя: Антон
- CB: MJ-550+KL102
- Ант. CB: LEMM 2001 turbo
- Позывной: Меченый
- Авто: Mers_by_Korea
- Откуда: Новосибирск, Ленинский-Кировский
- Благодарил (а): 3 раза
- Поблагодарили: 2 раза
- Контактная информация:
Re: нужна схемка подключения
Держите один вариант:

И еще один:

И еще один (диоды (1N4007)):


И еще один:

И еще один (диоды (1N4007)):

Последний раз редактировалось Меченый 24 июл 2013, 16:42, всего редактировалось 1 раз.
"Наш спонсор - Интим-салон "Шпильки". Не Газпром, но тоже мечты сбываются..." (с) Taifun
В основном - ночной житель Новосибирска и близлежащих регионов)))
В основном - ночной житель Новосибирска и близлежащих регионов)))
-
533-гранит
- 5 кВт
- Сообщения: 9812
- Зарегистрирован: 11 мар 2011, 23:56
- Имя: Огого
- Позывной: Гранит
- Поблагодарили: 6 раз
Re: нужна схемка подключения
На стоянке с работающим двигателем огни не нужны. Они задолбают всех и вся. ...и никакой светомаскировки! 
-
533-гранит
- 5 кВт
- Сообщения: 9812
- Зарегистрирован: 11 мар 2011, 23:56
- Имя: Огого
- Позывной: Гранит
- Поблагодарили: 6 раз
Re: нужна схемка подключения
-
Аким
Re: нужна схемка подключения
ВОТ, уже конструктивно!!!!!!!!!!!!!!!! дело в том, что при запуске двигателя с сигналки (вручную или автозапуске) у меня включаются габариты, соответственно ДХО гореть не будут, а если ты завел машину с ключа и сидишь в ней, то какая разница горят они или нет..
Меченый на первой схемке диод, который к 85 (реле) его надо припоять или он уже в реле стоит???? не пинайте, физику прогулял в школе.
Меченый на первой схемке диод, который к 85 (реле) его надо припоять или он уже в реле стоит???? не пинайте, физику прогулял в школе.
- skipper
- 500 Вт
- Сообщения: 1923
- Зарегистрирован: 25 янв 2012, 09:11
- Награды: 2
- Имя: Максим
- CB: MJ 600
- Ант. CB: magnitko
- Позывной: Шкипер
- Авто: Hover 3
- Откуда: НовосиBEERск
- :
- Благодарил (а): 9 раз
- Поблагодарили: 46 раз
- Контактная информация:
Re: нужна схемка подключения
в реле диодов нет.
"это не страна, это Россия.." © Салтыков-Щедрин
8-913-95-95-раздватри
Консультации по СВН, СКУД. Монтаж, шеф-монтаж, пусконаладка.
Оборудование Novicam, RVi со скидкой
Ищу крупные объекты по СВН, СКУД, СОС. За объект - бонусы
8-913-95-95-раздватри
Консультации по СВН, СКУД. Монтаж, шеф-монтаж, пусконаладка.
Оборудование Novicam, RVi со скидкой
Ищу крупные объекты по СВН, СКУД, СОС. За объект - бонусы
- Меченый
- 5 Вт
- Сообщения: 296
- Зарегистрирован: 26 фев 2013, 05:19
- Имя: Антон
- CB: MJ-550+KL102
- Ант. CB: LEMM 2001 turbo
- Позывной: Меченый
- Авто: Mers_by_Korea
- Откуда: Новосибирск, Ленинский-Кировский
- Благодарил (а): 3 раза
- Поблагодарили: 2 раза
- Контактная информация:
Re: нужна схемка подключения
Аким,
skipper писал(а):в реле диодов нет.
"Наш спонсор - Интим-салон "Шпильки". Не Газпром, но тоже мечты сбываются..." (с) Taifun
В основном - ночной житель Новосибирска и близлежащих регионов)))
В основном - ночной житель Новосибирска и близлежащих регионов)))
Кто сейчас на конференции
Сейчас этот форум просматривают: нет зарегистрированных пользователей и 2 гостя
.jpg)
.jpg)
